Wohnmobil IP22 und Ladebooster

Hallo,

habe im Womo das Ladegerät BSC IP22 verbaut. Je ein Kabel geht zur Starterbatterie und zur Bordbatterie. Funktioniert.

Zusätzlich ist der Ladebooster Orion Smart HQ 30A verbaut. Der Ladebooster hängt über ein weiteres Kabel zw. Starterbatterie und Bordbatterie.

Somit sind an der Starterbattetie auf Plus zwei Kabel angeschlossen.

Sobald der Motor läuft, macht der Ladebooster das, was er soll.

Jetzt bemerke ich folgendes: Beim Anschluss an Landstrom mit Motor aus wird die Starterbatterie über das IP22 geladen. Da der Ladebooster über das zweite Kabel auch an der Starterbattetie hängt, meint dieser über die erhöhte Ladespannung des IP22, der Motor würde laufen und lädt die Bordbatterie. Aber die wird eh über das IP22 geladen.

Denkfehler? Falsch angeschlossen? Alles gut? Oder soll ich versuchen, die Eingangsspannung am Ladebooster entsprechend zu korrigieren? Ist? allerdings schwierig, da die Spannung dercLichtmaschine nur bei 12.8V liegt, also niedriger als die Ladespannung des IP22.

Freue mich auf Antworten.

Grüße

Matthias

Hallo Matthias,

du hast das Ladegerät mit 3 Ausgängen verbaut und eine intelligente Lichtmaschine, sowie diese im Ladebooster auch eingestellt, vermute ich mal.

Das Ladegerät startet den Ladebooster da dieser meint die Lichtmaschine läuft…

Eine kniffelige Sache…

Spontan würde mir nur übersteuern der Motorerkennung (siehe Manual) einfallen

Klassisch wäre es das D+ Signal oder wenn dies nicht da ist ein geschaltetes Plus-Signal , Klemme 15. Bitte aber nochmals genau nachlesen…

1 Like

Gerade schießt mit noch eine andere Idee durch den Kopf:

Du schließt am bisher ungenutzten Ausgang 3 des Ladegeräts ein Relais mit Öffner / Wechsler - Kontakt an. Die beiden Kontakte verbindest du mit dem Fernsteuereingang des Ladeboosters.
Ist das Ladegerät an, dann öffnet das Relais den Fernsteueranschluss und schaltet es damit aus.
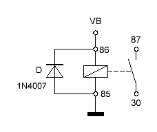
Bitte Freilaufdiode für das Relais vorsehen bevor man sich was zerschießt.

Viel Erfolg!

Das ist echt ne gute Idee, vielen Dank!

Werde ich mal probieren. Berichte dir dann. Dauert aber, sind gerade unterwegs.

VG

Matthias

Hallo Matthias,

dann dir eine schöne Zeit unterwegs…

Du hast Bleibatterien im Aufbau und als Starterbatterie?

Ich hab das Thema so gelöst und wohl eine größer Diskussion ausgelöst.

Gruß
Dirk

Hallo zusammen,

ich stehe aktuell vor dem selben Problem: zwei Batterien jeweils mit einem Phoenix Smart an Landstrom und einem Orion-Tr Smatr 12|12 dazwischen.

Die Idee von @DirkW finde ich echt chamant. Ich weiß zwar theoretisch, was eine Freilaufdiode tun soll und das man sie in Sperrrichtung parallel zu einem induktiven Verbraucher schaltet, um beim Ausschalten Spannungsspitzen zu vermeiden.

Ich stehe aber auf dem Schlauch, wo genau die Freilaufdiode nun hin soll. Was ist denn in dem Schema der induktive Verbraucher?

Viele Grüße

Ich sehe hier keine Notwendigkeit für die Diode.
Ein einfaches Kfz Relais verursacht da nicht solche Spitzen bzw ist bei einigen die Diode auch schon eingebaut.

Der IP43 Lader hat auch selbst schon ein Relais, welches man vermutlich dafür nutzen kann, einfach mal testen.

Bzw sollte es auch möglich sein, den + vom 3. Ausgang direkt auf die H-Klemme des Orion zu legen.


Ich habe dafür idR immer ein Relais in die 230V Zuleitung geklemmt.
Landstrom da → Orion aus
Oder man hat die Möglichkeit beim Fahrzeug ein +D Signal abzugreifen, damit der Orion nur läuft, wenn auch der Motor an ist.

Achso. @DirkW sah die Spule des Relais selbst als den induktiven Verbraucher an. Darauf bin ich nicht hekommen. Ich nutze eh meistens Elektronische Solid State Relais von Eltako. Die haben sowieso keine echte Spule mehr drin.

Wäre das nicht genau verkehrt herum? Wenn die H-Klemme vom Orion auf High gezogen wird, dann schaltet der Orion doch ein, oder nicht? Ich möchte doch es doch genau anders herum haben, dass der Orion zwischen den beiden Batterien nichts tut, wenn beide Batterien über den Phoenix geladen werden.

Zur Funktion der H- und L-Klemme beim Orion habe ich aber ohnehin einen eigenen Post eröffnet, weil laut Handbuch beim Orion die Funktionsweise der H- und L-Klemmen anders herum ist als bei den anderen Victron-Produkten und mich das zutiefst verwirrt. Ich konnte es bislang nicht praktisch ausprobieren, vermute aber evtl. einen Tippfehler im Handbuch des Orion.

Das wäre auch mein Work Around Nr. 1 gewesen.

Mein Bootsdiesel und dessen Lichtmaschine ist aus den 60ern. Es gibt dort zwar ein D±Signal direkt von der Lichtmaschine, aber das ist bestenfalls mmit viel Kreativität ein verkrüppelter Halbsinus, der mit der Drehgeschwindidkeit der Lichtmaschine zwischen 0V und 16V hin- und herzappelt. Da hängt bislang eine kleine Glühlampe dran. Der Glühbirne hat es nichts ausgemacht. Ob der H-Eingang des Orion Tr aber damit klar kommt, wage ich zu bezweifeln.

Ja klar, da hatte ich einen Denkfehler, den 3. Ausgang direkt zu nutzen, sorry. :man_facepalming:

Ok, back to the roots

so wie ich es machen würde:

Freiaufdiode, notfalls mit in die Kabelschuhe crimpen wenn keine im Relais vorhanden. Vorher messen….

10 cent die Elektronikleben retten können.

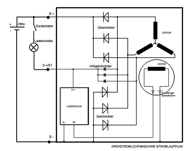
Wie du aus dem Schaltbild der Drehstrom Lima siehst (hoffe du hast schon eine und keine Gleichstromlima), dann kommen aus dem Hilfsgleichrichter nur Halbwellen raus. Da ist aber das D+ Signal.

In der klassischen Fahrzeugtechnik übernimmt die Ladekontrolllampe die sicheren Vorerregung der LIMA. Die Wattzahl der Lampe ist entscheidend für die Funktion. Einfach mal nach Vorerregung Lichtmaschine suchen. Ich hatte auf Schiffen schon einige Fehlerbilder um das Thema.

@nagmat84
Nochmals zu deinem Post im englischsprachigen Teil

Hast du ein Ladegerät mit 3 Ausgängen oder zwei Ladegeräte mit jeweils einem Eingang?

Wenn auf der Starterbatterie keine DC Verbraucher hängen würde ich mir den Aufwand mit BMV nicht machen, sondern die einfach über die Aufbauseite ein wenig mitladen. Booster an D+ oder an den 3. Ausgang des Ladegeräts damit der nicht ein Eigenleben führt.

Viel Erfolg!

Das Landstrom ist da Signal muss hierbei negiert werden

Landstrom da = Ladebooster aus

Nein, ich habe keine B6-LiMa, sondern nur eine M2-LiMa mit Permanenterregung. Da somit über den (nicht-vorhandenen) Erregerstrom auch die Ausgangsspannung/-leistung nicht reguliert werden kann, sondern die Spannung je nach Drehzahl zwischen 4 und 54V liegt gibt es eine externen Regler der über einen Thyristor eine über eine Gegenwicklung in der LiMa ein Gegenfeld erzeugt. Der Thyristor zündet aber nur max. jede Halbwelle; entsprechend unsauber sieht die abgebenene Wellenform der LiMa aus.

Irgendwie im effektiven Mittel werden es wohl meistens so 14V sein, was die Lima abgibt. Ich bin daher fasziniert, dass die Bleisäure-Starter-Batterie das überlebt. Die Batterie dient auch gleichzeitig als dicke Kapazität, um das was die LiMa so abgibt zu “glätten”.

Ich habe zwei Phoenix Ladegeräte, weil ich die Handbücher so verstanden habe, dass die drei Ausgänge eines Phoenix bzw. der “Tickle-Charge”-Ausgang bei der 1+1-Konfiguration nur genutzt werden sollte, wenn beide Batterien die gleiche Zellchemie haben.

Da meine Starter-Batterie eine Bleisäurebatterie und meine Hausbatterie LiFePO4 ist, wollte ich auf der sicheren Seite sein und habe daher zwei Phoenix Ladegeräte gekauft, die unabhängig voneinander arbeiten.

An der Starterbatterie hängt nichts außer der Starter und der Orion-Tr Smart.

Den BMV will ich anschließen, damit ich überhaupt eine Überwachung der Starterbatterie habe. Der Phoenix aktiviert Bluetooth nur, wenn auch 230V anliegen. Ich würde aber auch gerne einfach mal zwischendurch komfortabel ablesen können, was der Ladezustand der Starterbatterie ist, ohne erst Landstrom anschließen zu müssen. Insbesondere deswegen, weil an dem regulären Liegesteg kein Landstrom vorhanden ist und daher das Boot auchmal zwei/drei Wochen ohne Stromanschluss liegt.

Das verstehe ich nicht. Ich dachte, wie hätten schon geklärt, dass das genau falsch herum ist. Wenn an den 3. Ausgang des Phoenix Ladegeräts an den H-Pin des Booster anschließt, läuft der Booster doch genau dann, wenn der Phoenix eh beide Batterien lädt.

+D-Anschluss wäre eine Option, aber bei meiner LiMa ist der sehr “kreativ”. Oder halt 230V-Relais nehmen, dass den Eingang vom Orion-Tr trennt, wenn 230V vorhanden sind.

Die kleinste Variante des Phoenix Lader ist doch 30A, was hast du denn für eine Starterbatterie?
Normalerweise hat so eine Starterbatterie doch so um die 100Ah, da wäre der Phoenix mit 30A viel zu groß, da hätte ein einfacheres IpP65 mit 10A gereicht.

Der BMV erfasst aber nicht die Selbstentladung des Akkus, das wird bei längerer Standzeit vermutlich der größte Teil sein.
Da hätte ich max. ein Smart Battery Sense angeschlossen um die Spannung zu erfassen bzw wenn du auch ein BMV/SmartShunt am Verbraucherakku hast, dann den 2. Anschluss genutzt um die Spannung der Starterbatterie zu überwachen.

Leider zu spät gemerkt :frowning:

Danke für den Tipp. Stimmt, über die Selbstentladung habe ich nicht richtig nachgedacht, obwohl genau das das Problem ist. Aber dafür ist es noch nicht zu spät. Das zweite BMV gibt es noch nicht. Dann besorge ich mal besser nur einen zweiten Spannungsfühler.

Keep it simple

und genügend Tipps und Ideen hast du jetzt ja

Ich korrigiere meine vorherige Aussage. Der 2. Anschluss am BMV-712 für die Hausbatterie wird doch für die Temperaturüberwachung der LiFePO4 benötigt. Damit kann ich die Starterbatterie nicht auch zusätzlich überwachen.

Bin ich auch dankbar für.

Es gibt aber noch keine richtig gute Lösung, wie der Orion-Tr abgeschaltet wird, wenn der Phoenix die Batterie lädt. Die Idee einen Öffner in den Eingangsstromkreis des Orion-Tr zu setzen und mit 230V zu schalten, scheint die einfachste Lösung zu sein, finde ich aber irgendwie “unprickelnd”.

die Lösung muss nicht prickelnd sein, sondern funktionieren.

Du hast da eben nur 2 Möglichkeiten.
Entweder du gibst den Orion über ein D+ Signal frei oder du blockierst ihn, wenn Landstrom da ist.

@M_Lange

Ist es dir möglich hier einen FAQ Bereich aufmachen in dem man Beispiellösungen vorstellt?

Das Camper / Boot Thema mit Ladung der Starterbatterie separat oder über die Aufbaubatterie bei vorhandenem Ladebooster z.B häuft sich in der letzter Zeit auffallend. Und die meisten stehen vor den gleichen Problemen.

Danke