In den Daten von den Akkus bzw. BMS stehen oft die maximalen Werte hin…
Und bei LiPo Akkus sollte man die 3,5 V / Zelle nicht überschreiten… angeben tun die meisten Hersteller maximal 3,6 V.
Besser wäre, in Bezug auf die Lebensdauer, 3,45 V pro Zelle… da “verschenkt” man zwar ca. 3-5% der Akkukapazität… aber der Zellausgleich läuft halt ab.
Hast Du den Netzzähler auf Phasenausgleich eingestellt? Auf Phase 2 wird ja relativ viel eingespeist.
L2 und L3 scheinen ok zu sein, L1 ist etwas komisch. Eigentlich muß Strom mal Spannung die Leistung ergeben. Die Leistung ist das was über die Zeit die Arbeit ergibt.
Sieht man deine IOBroker Kurven, zeigen die keine Leistung an aber das VRM Widget zeigt Strom und Spannung an. Das ist das was mich stören würde. Offensichtlich stört das deine Stromzähler auch denn sie zählen einen Bezug vermutlich korrekt der bei dir im IO Broker noch nicht mal angezeigt wird. Die Unterschiede zwischen Ensor und 3P75 sollten aber <<1kWh/Tag sein, auch wenn die etwas unterschiedlich abtasten bzw. zum gleichen Zeitpunkt nur ähnliche Stromwerte liefern.
Die Spannung kann erst mal im Bereich 230-245 Volt als halbwegs konstant angenommen werden, so daß sich die Leistung eigentlich proportional zum Strom verhalten sollte. Wenn du Strom und Leistung mal für jeden der 3 Leiter im VRM darstellen kannst sehen wir vielleicht mehr.
Also ich komme gerade aus dem Keller und habe mal die Spannung zwischen N-PE gemssen, da scheint irgendwas im argen zu liegen denn:
EL-Abgang zu der ganzen PV-unterverteilung ist 0.032V (quasi MP2 AC-IN) und Rückleitung zum Haus 0.123V (MP2-AC-Out). Klar ist nicht viel, aber sollte das nicht näher zusammen liegen?
Wie stark beeinflusst ein aussen am Stromwandler anliegender Polleiter die anderen? Die sind da bei mir sehr eng gedrängt aneinander.
Wo genau muss das eingestellt werden?
Im ESS steht bei “Mehrphasige Regulierung” auf “Summe aller Phasen”
Edit: kommt mir gerade in den Sinn, das ich die letzten Tage extreme Erzeugungsleitungen gesehen habe, die mir noch nie aufgefallen sind. Bisher hatte ich immer am Mittag so gegen 22-23kW und die letzten Tag hatte ich plötzlich 25-26kW Anzeigen auf dem Dashboard. Könnte das einen Zusammenhang haben?
Summe aller Phasen ist okay..
Wenn Du soviel leistung über Mittag hast … dann überschreitet das auch die Leistung der 3 MP II-5000… und könnte zum Bezug führen.
Er meint wohl Erzeugungsleistungen. Die überschreiten die RS450 Kapazität was aber nicht zum Bezug führt.
2-3 Volt auf dem Nulleiter (gegenüber PE) ist allemal im Rahmen, 0,1V sogar wenig. Es kommt aber drauf an, welchen Strom der Nulleiter ausgleichen muß. Worst Case vielleicht 44 Amp, also eine Schieflast von 10kW wenn du versehentlich 3 Fahrzeuge gleichzeitig auf einer Phase aufladen möchtest.
Das macht R=U/I = 0,123V/44 = 2,8 Milliohm was dein Nulleiter hat. Aus deinen Ausführungen kann ich aber nicht wirklich genau nachvollziehen wo du gemessen hast. Es kommt auch drauf an welcher Strom dabei tatsächlich fliesst wenn man die Spannung misst. Bei den Größenordnungen misst man auch schnell etwas falsch, denn die Ströme sind mitunter auch hochfrequent von Schaltnetzteilen welche ihre Störungen über einen Y Kondensator auf PE ableiten. Die Leitungen habe eine Induktivität über welcher eine (hochfrequente) Spannung abfällt welche man dann fälschlicherweise auch mit normalen Multimeter angezeigt kriegt.
Egal - hohe Erzeugungsleistungen kommen in den letzten Tagen von den niedrigeren Temperaturen. Pro Grad Celsius etwa 1%. Aktuell ist es in der Schweiz vermutlich ebenso wie bei uns im wilden Süden etwas kühler.
Soweit alles gut, aber nicht der Strom den ich auf L1 gesehen habe. Andere Leiter ausserhalb des Wandlers haben keinen Einfluss. Der muss schon innen durchgehen. Sonst würde sich die Arbeit ja aber auch zu deinem Ensor deutlich unterscheiden. Summe aller Phasen habe ich auch, aber probehalter habe ich auch schon Einzelphasenregelung ausprobiert. Das macht mitunter etwas mehr Verluste weil die Multis auf einer Phase was beziehen um es auf der anderen Phase wieder einzuspeisen damit alle Phasen symmetrisch sind.
Teile meiner Instrumententafal mit Symmetrieanzeige habe ich heute früh hier eingestellt.
Deine Grafiken sehen toll aus, aber da meine Sprachkenntnisse in Englisch so schlecht sind, verstehe ich nur ganz weniges. Ja es ist kühler aber aktuell extrem Luftfeuchte und praktisch jeden Tag Regen, ähnlich wie im Regenwald.
Wenn du Lust hast kann ich dir auch gerne mal via PN den Victron-Code senden, damit du meine Anlage mal anschauen/kontrollieren kannst. Ungern stelle ich den hier einfach öffentlich rein.
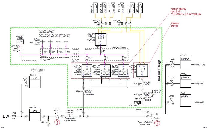
gemessen habe ich bei den Klemmen -X0256 und -X0258 jeweils mit einem Multimeter die AC Spannung zwischen N und PE.
Die Schweizer müssen dafür französisch und italienisch lernen und nur für Rätoromaner ist Deutsch etwas einfacher.
Obwohl Discoarse das schon kann, sind private Nachrichten hier im Forum noch immer nicht freigeschaltet.
Ich stamme aus einer Zeit in der das noch nicht so ein grosses Thema war wie heute. Meine Kinder mussten Romansich lernen in der Primarschule. Aber keiner kann es noch, dafür haben sie Englisch als Pflichtfach gehabt.
Auf dem Discord von Jens haben sie mich verbannt, weil ich halt eben zwischendurch mal sage was ich denke und das gewissen Personen nicht gepasst hatte. Es gibt halt eben gewisse Zusammenhänge (zt. politische) die man gerade in der Schweiz einfach auch sehen muss. Auch bei uns ist nicht alles was PV ist gewünscht und wird so wie veröffentlicht umgesetzt. Zb. kein einziges der vor 1.5 Jahren veröffentlichten Hochalpinen Solar-Projekte wird umgesetzt, aber es gibt immer noch Leute die glauben dran.
Edit: beim fertigstellen, des Elektroschemas ist mir gerade aufgefallen, dass ich den VM-3P75 am AC-Out für die Spannungsversorgung angeschlossen habe. Könnte das, dass Problem erklären? Da stimmt, denn natürlich die Leistung nicht mehr umbedingt.
Eigentlich sollte das nur ein kleiner Unterschied sein. Der 3P75 ist ja ein typischer Wandlerzähler und da könntest du dann auch die Phasen zwischen der Spannungsmessung und dem Stromwandler vertauscht haben. Das wäre ein Grund dafür daß Strom mal Spannung nicht die Leistung ergibt. Zumindest für eine einzelne Phase. Die Spannungen zwischen den Phasen könnte unterschiedlicher als vor und hinter dem Transferschalter vom Multiplus sein. 10-15 Volt Schwankungen sind auch eher etwas hoch. Vor allem wenn sie gar nicht von deiner Last bzw. Einspeisung abhängen.
Den Null solltest du für den Zähler auf jeden Fall irgendwo vorne angeschlossen haben. An meiner eigenen Anlage schalte ich den N auch nicht ab. Es wird immer nur 3 polig geschaltet. Aber ich habe auch einen eigenen Trafo der meinen eigenen N macht. Bei jedem Schaltvorgang kriegen die Varistoren im Zähler eins auf die Mütze weil die 4 Kontakte nicht wirklich gleichzeitig schalten und sich der Sternpunkt dabei ganz kurz verschieben kann.
Guten Morgen
Kleines Update: Ich habe soeben noch die Sicherung für den 3P75 vor den MP2 eingebaut und alle anderen Klemmen und Kabel kontrolliert, aber leider keine Stelle gefunden die ich als merkwürdig anschauen könnte. Auch habe dich die Stromwandler vom 3P75 auf Richtung und Phasenlage kontrolliert und auch da ist alles korrekt verbaut. So langsam glaube ich wirklich ans Phantom.
Was mir aufgefallen ist: wenn ich zb. die Heizung vom Whirlpool einschalte (L2 und 1.8kW) zeigt mir das Dashboard auf der Netzseite sehr schnell die 1.8kW Bezug an und die anderen beiden Phasen gleichen das mit mehr Rückspeisung aus. Ist das bei euch auch so? Klar aktuell sind Wolken und es kommt nur wenig von der Sonne (ca.4-5kW). In der Summe ist es schon immer noch ca -300W (gem. Einstellung), aber eben sehr ungleich verteilt.
Du kannst zum Test mal die Einzelphasenregelung aktivieren. Vielleicht sieht man da mehr.
Es ist noch immer zu klären: In dem Post mit den 6 VRM Diagrammen ist über viele Stunden ein positiven Strom auf L1 zu sehen. Woher kommt dieser bzw. wo fliesst dieser hin?
Was ich auch nicht verstehe: warum gibt es einen Netzbezug von 1,8 kW ? Diese Leistung müsste doch der MP II direkt übernehmen können (wenn der Akku nicht leer ist).
Oder macht das ein 3-Phasen System so?
Also genau das mit dem Lastausgleich habe ich auch noch nicht verstanden, das sind ja auch nicht momentan Werte. Sondern solange ich den Whirlpool an habe, habe ich auf L2 positive Werte und die anderen beiden Phasen versuchen dann auf -300W zu kommen.
Das mit dem L1 Strom kann ich mir unterdessen erklären: Mein Heizeinsatz im Heizungsspeicher/Boiler ist mittels 3 einzelnen Shelly geschaltet. Ich hatte da zusätzliche Bedingungen drin, so das die L2 und L3 jeweils erst nach genügend SOC und zusätzlicher Erzeugung zugeschaltet haben. Das habe ich aber unterdessen entfernt.
Genau so stelle ich mir das auch vor: (jetzt ist die Poolheizung ein)
Jetzt ist die Poolheizung aus:
man beachte die extreme unsymetrie beim Netz. Leider wird dass über die Zeit auch nicht weniger.
Also, meine Netzbezüge sind nun gesunken auf 0.1-0.5kWh/24h (gemessen am VM-3P75). Zusätzlich läuft das ganze aktuell als “einzelne Phase”. Auch sind jetzt die ins Netz eingespeisten Leistung in etwa Phasengleich, egal wie unsymetrisch meine Heizlasten sind.
Ich gehe mal davon aus, dass der Spannungspfad vom VM-3P75 doch mehr ausmacht, als dass man erahnen könnte. Was ich zusätzlich festgestellt habe, dass bei einer Netzrückkehr das ganze System viel ruhiger wieder synchronisiert als zu vor. Zuvor hatte man doch ein relative starkes brummen der Ringkerntrafo in den MP2 vernommen, dass ist jetzt auch praktisch verschwunden. Ich kann das natürlich nur mir rein ohmscher Last testen, aber damit merkt man bei einer Umschaltung beinahe nichts mehr.
Ich möchte mich nochmals ganz herzlich bedanken für eure Analysen und Tips.
Gruss aus der Schweiz bei aktuell sonnigen Wetter
Andi
Bitte entschuldigt, aber ich muss das nochmals aufmachen, den seit ich da alle umgebaut habe und der VM-3P75 jetzt richtig misst, macht er aber immer mal wieder einen Reset. Sprich er stellt alle Messwerte einfach auf “0”.
Der Zählerstand wird einfach sporadisch zurück gesetzt. Ist dieses Verhalten bekannt?
Firmware 1.08
zusätzlich habe ich im Node-Red ein Flow gemacht, der mir die gemessene Frequenz, mit MQTT, in den Iobroker sendet. Kann es daran liegen?
Woran erkennst Du das? (also wo sieht Du das) und meiner macht das nicht.
Das ist realtiv einfach zu erkennen, wenn plötzlich um 15:00 Uhr die Totalzähler wieder bei “0” beginnen zu zählen.
Schon klar, aber welcher Totalzähler wo gesehen? Ich kenne ja Deinen Aufbau nicht…
Auf dem lokalen Dashboard in der übersicht und auch bei den Geräten sieht man, dass diw Zählerstände auf 0 gesetzt wurden. Im VRM habe ich das noch nicht bemerkt, aber sowohl via Modbus wie auch per MQTT sind die Werte zurückgesetzt worden.



