Um Netzrückwirkungen geht es dabei nicht
Den Umschalter möchte er ja damit man den Multi überbrücken kann.
Was absolut sinnvoll ist, in manchen Gegenden muss man sich fragen was sicherer ist: Netz oder Multi.
Also du meinst das jede Phase seperat mit Null versorgt wird ? Stichwort Sternpunktverschiebung?
Wenn es nicht um Netzrückwirkung geht, sondern nur intern ein Problem auftreten kann, sollte der Elektriker das ja eigentlich hinbekommen. Zumindest sah er hier kein Problem.
Mir ging es vor allem darum das nicht zum Versorger hin eingespeist werden kann bei Stromausfall und WR Betrieb
1-
Wenn Du den N mit über den Schalter führst hängt dieser in Schalterstellung 0 in der Luft was eben genau zur Sternpunktverschiebung führen wird da L2 und L3 noch Spannung haben.
2-
Wenn man den N an Schalter vorbeiführt hat man eine Verbindung des N von ACout nach ACin und auf das Netz. Verbraucher die im Dreieck geschaltet sind sorgen für ein Potenzial auf L2 und L3 bei Netzausfall.
Mit dem 2Poligen (L+N) Umschalter geht es nur wenn auch der Neutralleiter der kritischen Lasten komplett getrennt ist, und das wäre mMn auch die eleganteste Lösung.
Hat mich jetzt auch interessiert es zuende zu denken. Ich hoffe ich hab keinen Fehler drin.
Normalzustand, Netzspannung vorhanden, MP ist im standby
Kompletter Netzausfall, MP hat auf Inverter geschaltet, Umschalter hat auf Generator geschaltet
Problem dabei sind zwei- oder dreiphasige Verbraucher. Durch deren Verbindung wird eine Spannung von L1, welcher vom MP erzeugt wird, auf die anderen beiden Phasen übertragen, bis zurück zu der Stelle wo das Netz getrennt wurde, also eventuell irgendwo in einem Loch nachdem der Bagger gerade die Netzzuleitung erwischt hat. Dies muss vermieden werden, deshalb allpolige Trennung gegen das Netz.
Natürlich gibt es noch viele weitere Formen eines Netzausfalles, wobei dies hier der so ziemlich der einfachste ist.
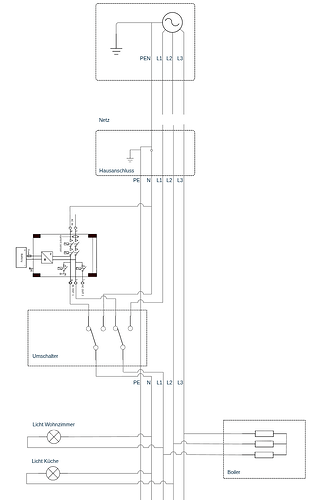
Die Einwirkung auf Sachen im eigenen Gebäude, im Beispiel Licht Küche, ist auch nicht so toll, da durch den Widerstand des dreiphasigen Verbrauchers (und allem was an L2+L3 angeschlossen ist) an L2+L3 keine 230V zustande kommen werden. Um dies zu vermeiden, sollten die Lasten am ACout komplett getrennt geführt werden
(Und falls sich jemand fragt, ob ich zu viel Zeit habe, nein, jetzt nicht mehr
)
Ok…. Jetzt fühle ich mich alt mit Stift und Papier….
Jetzt könntest du noch den Umschalter als Bypass einzeichnen.![]()
![]()
Also so?
Wobei der Netzanschluss am Umschalter auf den Multiplus geht (da dieser Anschluss Vorrang hat), und der Generatoranschluss aufs Netz
Erstmal vielen Dank , das ihr Euch die Mühe macht das einem Laien zu erklären.
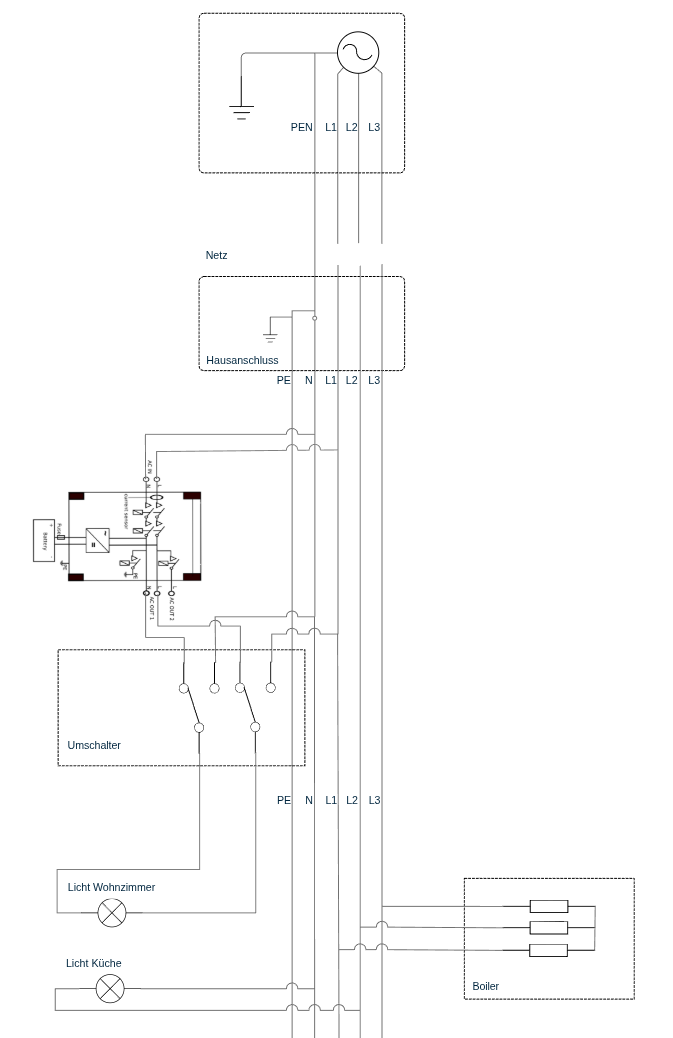
Grundsäzlich verstehe ich es so, das das letzte Schaltbild von Chrigu dann die Lösung ist ?
Wenn der Elektriker solche Pläne lesen kann, sollte er das ja so anschliessen können und das Thema ist dann hoffentlich damit durch.
Soweit so gut.
Nun aber von mir nochmal Verständnisfragen:
Du schreibst:
“Wenn Du den N mit über den Schalter führst hängt dieser in Schalterstellung 0 in der Luft was eben genau zur Sternpunktverschiebung führen wird da L2 und L3 noch Spannung haben.”
Nur nochmal für mich - das ist ja ein Umschalter, eine Schalterstellung 0 gibt es ja so gesehen nicht. Du meinst aber wahrscheinlich die “Zeit”, in der er umschaltet, da muss der Weg ja von In-1 dann über “0” auf In-2 sein. Das sind ja ein paar Millisekunden ? Ausserdem, wenn der Schalter schaltet ist doch Netzausfall auf L1 und somit vermutlich auch L2 und L3 eben spannungsfrei ?
Kannst du nochmal einen Satz dazu sagen, warum bei deinem letzten Bild:
dann sowohl “allpolig” trennend erfüllt ist, als auch keine Sternpunktverschiebung statt finden kann ? Denn hier führst du ja im Gegensatz zu dem falschen Bild hier:
wo es zu einer Sternpunktverschiebung oder Rückspeisung kommen könnte den L1 + N auch ausserhalb des Switches und des MP weiter ins Haus ? Warum kann es dann hier eben nicht zu einer Rückspeisung kommen ?
Kann man das einfach erklären ? Wenn nicht ist auch ok, wie gesagt, mir gehts nur ums verstehen ![]()
Leider nicht zwingend. Das Beispiel oben ist wie gesagt die einfachste form eines Netzausfalles. In der Realität ist es aber eher der Fall, dass irgendwo im Netz nur eine Phase einen unterbruch oder ein kurzschluss hat zu PE, dabei fällt diese eine Spannung bei dir im Haus gegen 0V wobei die beiden anderen irgendwas führen können
Der Unterschied ist dass nach dem Umschalter der L+N nicht mehr mit dem Rest verbunden werden. Es ist quasi eine eigene Installation. Und ich glaube das hatte ich oben auch falsch verstanden, denn in diesem Fall währe es allpolig getrennt, denn dies bezieht sich nur auf diesen Teil der Installation. Mit dem Rest des Hauses hat es keine Verbindung (nach dem Umschalter), weder im Normal- noch im Notstrombetrieb.
Sternpunktverschiebungen sind ein schwieriges Thema, da der N zum Rest vom Haus aber nicht vom Umschalter geschalten wird, passiert dies hier aber nicht (durch die PEN-PE Brücke im Hausanschlusskasten sollte es auch nicht passieren falls der PEN im Netz getrennt wird). Im abgetrennten Teil der Installation werden sowohl vom Multiplus als auch vom Umschalter immer L+N zusammen geschalten.
Ok, danke für die Erörterung - nun nur nochmal letztmalig um wirklich sicher zu sein, was ich mit dem Elektriker bespreche - es bleibt also bei diesem Bild um es sauber umzusetzen:
Oder doch das vorher - weil du sagtest du hattest da was falsch verstanden:
Wie gesagt, bin mittlerweile verwirrt ![]()
Dann haben wir uns solche Mühe gegeben und du hast es doch nicht verstanden🥺
Soll ja hier auch keine Bauanleitungen werden, dein Elektriker sollte mit den Informationen arbeiten können.
Aber Vorsicht, nicht dass dein Elektriker jetzt das Wohnzimmerlicht umbaut.![]()







