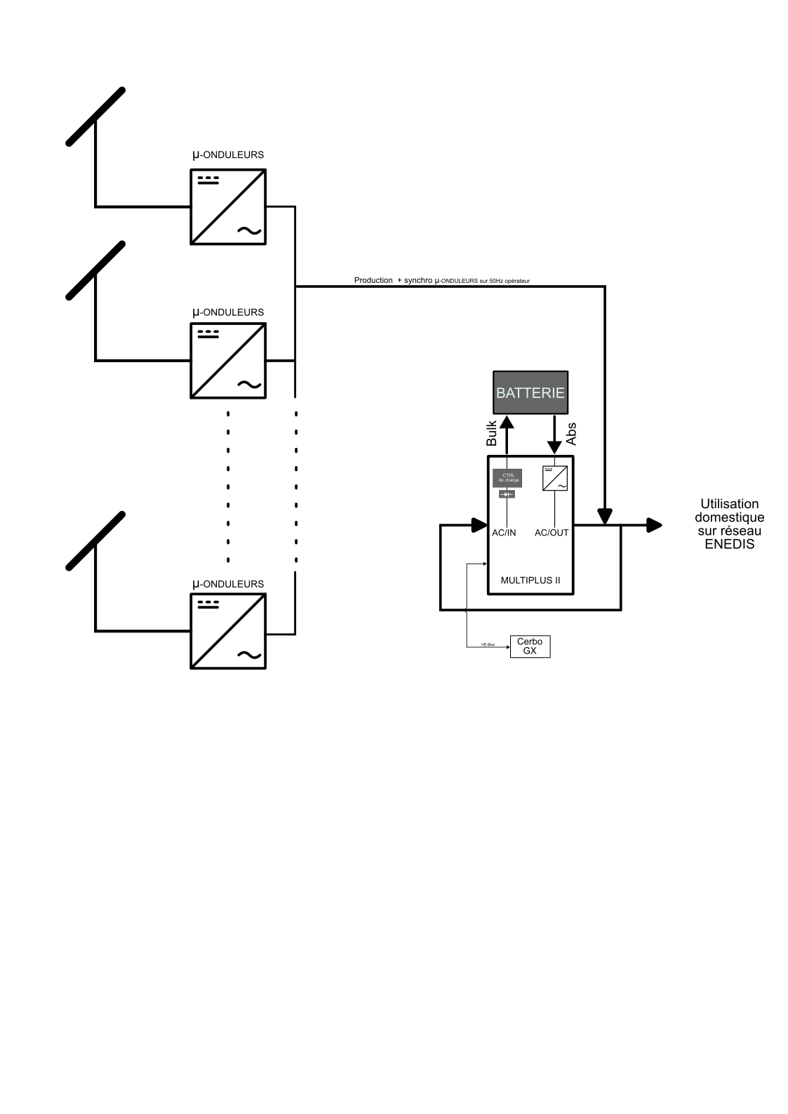
Projet µ-Onduleurs avec multiplus II

Bonjour à tous,
Je suis tout nouveau sur ce forum.
Mais connaissances en production photovoltaïque sont plus que minimes.
Je souhaite faire une production avec des µ-onduleurs suivie d’un onduleur Multiplus II.
Pouvez-vous me dire si cela est possible selon le document ci-joint.
Là ou j’ai un doute c’est la synchro du Multiplus II et des µ-onduleurs avec le 50Hz d’ENEDIS.

Est-ce envisageable de faire un stockage du surplus de production ?
Peut-être illusoire ?
Je ne souhaite pas faire de réinjection vers ENEDIS.

Merci d’avance pour vos retours
Cordialement
Mirfak.

The major problem with the above diagram is that there is no grid for the micro-inverters.
If you are planing an off grid installation, then the micro inverters need to be connected to the AC OUT of the multiplus, with a power limit equal to the multiplus continuous power rating.

The multiplus would then take the excess power from the micro inverters to charge the battery, whilst maintaining the ‘grid’ for the micro inverters to operate.

The Utility grid (ENEDIS?) can then be connected to the AC in, as can any micro inverters in excess of the Multiplus power rating. Feed in would be limited by the grid code, but it would also be a good idea to add a control system like the Cerbo GX to monitor and control the operation.

Le principal problème du schéma ci-dessus est l’absence de réseau pour les micro-onduleurs.

Si vous prévoyez une installation hors réseau, les micro-onduleurs doivent être connectés à la sortie CA du Multiplus, avec une limite de puissance égale à la puissance nominale continue du Multiplus.

Le Multiplus récupère alors l’excédent de puissance des micro-onduleurs pour charger la batterie, tout en maintenant le réseau électrique pour le fonctionnement des micro-onduleurs.

Le réseau public (ENEDIS ?) peut ensuite être connecté à l’entrée CA, tout comme les micro-onduleurs dont la puissance dépasse la puissance nominale du Multiplus. L’alimentation est limitée par le code du réseau, mais il est judicieux d’ajouter un système de contrôle comme le Cerbo GX pour surveiller et contrôler le fonctionnement.

Bonjour,

Merci pour ce retour pertinent.
Je révise le synoptique et me plonge dans le manuel du Multiplus afin de vous faire un feedback très prochainement.
Bonne journée à tous.
MirfaK

La philosophie globale de Victron est de gérer l’énergie solaire côté courant continu. Ça sera globalement plus simple d’atteindre vos objectifs (autoconsommation avec un peu de stockage, sans injection sur le réseau) en partant sur des MPPT côté batterie.

Le choix des MO Enedis s’est juste pour qu’ils vous fassent la solution et l’install?

Bonjour,
Afin de savoir si j’ai bien compris le retour de MIKE, pouvez-vous me dire si le synoptique correspond.

Merci d’avance
Mirfak

En retour à Pattaclop Pénélope, est-ce une “Obligation” d’utiliser des MO ENEDIS ?

absolument pas mais ma question était pourquoi tu faisais référence à ceux la précisément

Houpss… Il sagissait du 50Hz EDF.

Ah ok c’est moi qui avait mal compris.
De mémoire les Enphase IQ Series sont compliance avec Victron
voir ici

Bonjour,
J’ai une question qui subsiste.
Sur le synoptique que j’ai refait selon les explications de Mike.
Si j’ai bien compris, la sortie AC1 du MP2 est bien sur le secteur de l’habitation et le MP2 est synchronisé par le réseau de l’opérateur, y compris la série de µ-onduleurs ?

ne jamais connecté la sortie d’un multiplus a un réseau, c’est la sorti du multiplus qui est le générateur de réseau et face a une centrale nucleaire, ce n’est pas lui qui gagne !
sur le schéma le in et le out ne doivent jamais être bouclé.

Bonjour,
Merci pour ce retour.
L’objectif n’est pas de “lutter” :slightly_smiling_face: contre un opérateur d’énergie mais de savoir si un MP2 est synchronisable avec celui-ci.
L’idée est de savoir s’il est possible de produire pour une autoconsommation et de récupérer éventuellement l’excédant vers un stockage tout en conservant la source d’énergie d’un opérateur sans pour faire autant de la réinjection.

donc oui a la conditions que le réseau soit bien sur l’ac in et que l’ac in et le out ne soit jamais bouclé.

Ok Merci, je comprends mieux maintenant le message de Mike,
Si vous prévoyez une installation hors réseau, les micro-onduleurs doivent être connectés à la sortie CA du Multiplus, avec une limite de puissance égale à la puissance nominale continue du Multiplus.”.
Mais alors comment le MP-II arbitre, entre puiser dans le stockage et/ou l’opérateur ?
Je pense que le 50Hz de la sortie AC out de l’onduleur MP-II doit être calé en phase et sur celle du fournisseur.
Merci pour vos retours.