Where to place the ORION DC-DC?

Hello everyone,

I’m finally changing my old lead batteries bank for a lithium battery.

My installation contains two other lead batteries that I’m going to keep (an engine battery and a windlass battery)

Currently, the batteries are charged by several means:

  • Alternator to battery Sterling 12V 80A (set for lead)
  • Shore charger AC-DC Cristec 12V 25A (older generation, which I think doesn’t handle lithium)
  • Watt&Sea hydrogenerator regulator (older generation, which I think doesn’t handle lithium)

In addition, I’m installing 2 x 100W solar panels with a new Victron 100/20 MPPT.

The battery manufacturer (Lifepo4 200Ah, BMS 200A) indicates that a DC-DC must be installed to charge the battery.

I would like to consider the Victron Orion 12I12 30 product.
In view of my electrical installation, am I right in thinking that installing it just before the new lithium battery will be enough to complete my installation?

Current setting:

New setting:

(Sorry if many topics already talk about the Orion… I feel like it’s always a bit different from each setting)

The Orion DC to DC takes power from one battery (in your case lead acid) and charges a second battery ( in your case lithium). It does not take the DC from the Christec and convert that to lithium charging. It is used for alternator charging of lithium via the engine start battery. You might be able to put both Christec outputs onto your engine start battery and then the Orion will also charge the lithiums when the Christec is running. You have a common ground so you can use the non-isolated Orion with only 1 negative lead. Read the manual, diagrams are included.

www.victronenergy.com/media/pg/Orion-Tr_Smart_DC-DC_Charger_-_Non-Isolated/en/installation.html

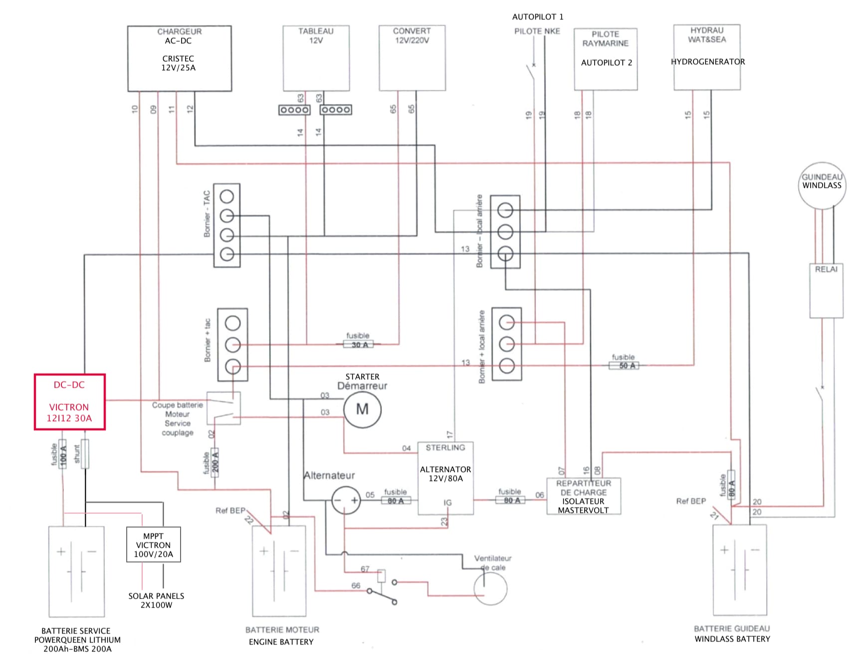
Thank you for your answer. I feel like my Isolator Mastervolt make things difficult in this case. I have been looking at diagrams but I still don’t see where I need to connect the Orion…

The trouble is I do not fully understand the switch between the starter and service battery and have not made a detailed review of the whole wiring diagram.

Here is my view of what you need to do as I described above. The Orion will then charge your lithium battery with the correct type of charge when you have the engine running or the Christec charging. Note, fuses are required in the positive cables and perhaps also an isolation switch.

Note, your MPPT negative wire was connected the wrong side of the shunt, I have also corrected that for you. The MPPT will also need a fuse adding close to the service battery.

You need to make sure that this is all OK. If not, consult a marine electrician.

1 Like

Thank you very much for that. It will help me a lot to think clearer about my installation. Also, as you suggest, I am in contact with a marine électricien.
I will write to you as soon as I know a little more or if I succeed :wink:

Thank you again for your time !

1 Like

I connect my 50A ORION DC-DC just after the distributor box that distribute the alternator current to the Service battery line

Amen

I am thinking of converting to Lithium house batteries on my sailboat and read this thread with interest. In short, I am wondering if the Orion will allow both charging of my lithium bank from my lead acid starting battery with the engine running, as well as when on the dock on shore power and engine off?

I have a Xantrex TrueCharge 2, 20 amp charger for shore power. I read that I should connect both DC outputs on the Xantrex to the starting battery to facilitate this. I gather I will also need to disconnect the lithium house battery bank from the alternator. If this is correct, will I need to switch off the “engine shutdown detection” mode on the Victron app when I go on shore power for this work? If so, I see that this could be problematic should I forget to turn it back on when not on shore power and do not have the engine running. All advice very welcome!! Thanks.

You set up the engine shutdown detection on voltage to cpver both cases. Set the Orion to start charging the lithiums when the starter battery is above 13.2V and stop when it is below 12.8V. Both the alternator and the TrueCharge will get above 13.2V. As the Orion can charge 50A but the TrueCharge is only 20A, the voltage will fall back down, so the Orion reduces the charge current going to the lithiums to maintain the starter at 12.8V so that the starter os not discharged.

Michel, another think to consider is that you do not end up inadvertantly coupling your Lead Acid and Lithium batteries together via a changeover switch or even one of your charge sources, else you may end up with inappropriate charge voltages on one of your batteries with dire consequences. I do not speak french but I assume Tableau 12v is a 12v load, perhaps even a fuse box fed via the Service couplage (a switch I assume?)

From what I can make out, this will only ever be live when your Cristec is charging?

My situation is similar but not exactly the same. My house / service batteries are NMC hence it’s critical I keep them separate from the LA under charge conditions, hence the belt and braces emergency start circuit. My schematic is attached which you are welcome to draw from if it’s of any use.

One other thing to perhaps consider. Given that your Lithium battery will be charged from the original charge sources via the LA, perhaps using your MPPT to charge your LA instead, that way you always have a full starter battery when off shore.

I’ve just added a second array and MPPT to my setup to do this but haven’t gotten round to updating the schematic.

Hello. Just a quick update. All my equipments were compatible with lithium batteries. So I set them all up for litthium to avoid going higher then 14.5v and so far it seems to work just fine, once it reaches 14.5, it stops charging. Mppt, Watt and Sea, Alternator..all good :wink:

Thanks pwfarnell for the explanation and Orion settings for this to work. Much appreciated! For my installation, I know I also have to disconnect my alternator from my new lithium house bank as the alternator is currently wired to charge the old LA bank and starter. As a DIYer ( and no marine electrician ), any tips on the simplest way to do this? The factory schematic for my Beneteau 34 shows a positive wire from the alternator to the starter bat switch and another to the house bat switch. I gather I just need to disconnect ( or remove) the alternator wire that goes to the house switch. In my setup there are multiple red wires on this switch. Is there a simple way to figure which one I need to disconnect? As with most boats, the access and visualization of the electrical components and pathways is a challenge! Thanks for your help.

There is little more you can do other than trying to follow the cable, checking the diameter of the cable with a vernier to give you some guidance. I spent several happy hours (!!!) sat on my engine trying to work out which cable was which before swapping to lithium.

I was afraid you were going to say that!! Not looking forward to those “happy” hours! ChatGPT suggested using a multimeter to test the wires with the engine running and look for one with 14.4 volts…with that one being the one coming from the alternator. Do you think that’s right? I have found ChatGPT can really screw things up, so in this case, I don’t know what to think.

Yes, that is right, a good prompt, but with everything bolted to one terminal, they will all read 14.4V. You need to disconnect everything first then start the engine. Not sure what everything else will do in the meantime and be cautious of you have several cables hanging loose at +12V.

Normally I would not consider starting the engine with the alternator positive disconnected as the voltage could go high, but in your case the alternator will be safe as it is connected to the starter battery.

Thanks! I will give it a go. Appreciate the help!

Hello pwfarnell. It all worked out and the install went great! Thanks for your help!
After it was all hooked up, all of the components were functioning fine until I connected the Cerbo GX to the NMEA 2000 backbone. I sent an outline of the problem to the DIY community but so far no replies. Link attached.

Of bigger concern is that my Fusion stereo connection to my MFD completely stopped when I connected the Cerbo to the NMEA 2000 network. If I disconnect it, all of the functions return to normal. I removed the fuse from the Victron cable thinking that might help. It didnt. Also no data is showing on my Triton 2 displays either. I should add that on my Victron Touch 50 the Fusion radio and the Tritons show on the VE.can device list as well as the MFD.

I am wondering if all of these problems are related and if there is a solution. Thanks for your help.

https://community.victronenergy.com/t/starter-battery-not-showing-on-mfd/37540

1 Like

Glad ypu got it sorted. NMEA2000 is something I do not know so hopefully you get help elsewhere. I see some posts suggesting that on a mk2 Cerbo one VE Can port is better than the other for NMEA2000. The search may find the posts.

Thanks for the quick reply!!
I do have the connection on VE Can 1 as I believe this one is galvanic isolated. I also have the stopper in the VE Can 2 port.

Would you be able to forward my issue to another Victron Expert? I contacted the dealer who sold me the Cerbo Gx Mk2 and I have only had silence. Much appreciated!

I thought you would need the terminator (stopper?) In the second VE Can 1 port.

Suggedt you raise a new question with NMEA2000 in the title in Q&A and see who comes along.