Smartshunt Connection Query

Hi,

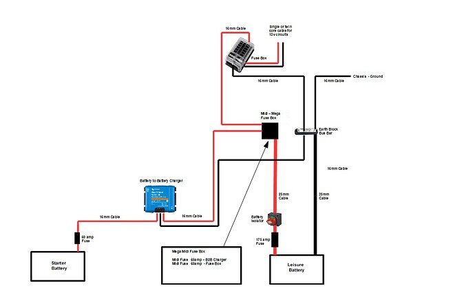
I am looking to order a wiring kit for my van - fairly simple set up but I was getting some conflicting information from people about the smartshunt connections. I understand the smartshunt will be connected to the neg terminal of leisure battery - but should this then go to the busbar earth (on diagram) or run back to the earth on the starter battery? I also intend to connect the voltage monitor leads to the starter battery,

Is there any guidance about whether I should go for a 300A or 500A? - I’m learning as I go with this…

Many Thanks

The shunt should be in the negative not the positive!
if you connect the battery terminal to the chassis then anything that uses the chassis as return will not be measured by the shunt.
I would connect everything to the end of the shunt that is not the battery end.

…i didn’t say it would be connected to the positive?

I’m not sure I’m following, I thought the negative end of the leisure battery was to go to the ā€˜Batter minus’ terminal - then the other end ā€˜Load Minus’ was the bit I was unsure about - whether it goes to chassis or negative terminal on starter battery?

Sorry I misread the diagram as I didn’t see a shunt in the -Ve I thought the fuse in the +ve was a shunt, problems of a small screen.

The only thing* that should be connected to the battery is the shunt all other connections should be to the other end of the shunt.
Putting it in the 25mm cable between the bus bar and battery would be fine.

*There are some exceptions such as battery monitors.

No problem, yeah the diagram didn’t have the shunt shown and was just checking where it would go if I wanted to add one in to this setup.

Someone on a FB group had said that the leisure battery should be earthed by the shunt and return to starter battery and not be earthed to chassis - which confused me as to what best practice was. I’m just trying to understand the full picture of what connects where and how it works - don’t want to blindly connect things and then not know what is actually going on,

Appreciate your advice :slight_smile:

The starter battery negative and Leisure battery negative need to be connected, this can be via chassis as you do not show starter battery negative. The SmartShunt then goes in the negative wire. Here is a pic from a DIY FAQ.

Shunt ā€œBattery Minusā€ DIRECT to the Minus of the leisure Battery (as close as possible),
Shunt ā€œLoad Minusā€ to your Minus Busbar!

(see attached scheme)

Note: the Cable-Dimensions and your fuse-sizing could be a bit to ā€œsportyā€
60 amps for 16mm² is ok, but 175 amps for 25mm² needs to be questioned!
(as far, as you really just have the 2x 60 amps connections, there will not be any trouble, but…) for 25mm² i would not go to more than 100A

have fun!

1 Like

Thanks for the clear description by tweaking the diagram this is where I suspected it needed to go. So the 1A fuse you are showing is the Vbatt+? and if I want to monitor voltage from starter battery I just connect the other to the Aux and run this to the starter battery positive?

What do you mean by sporty? assuming you are suggesting the 175amp is on the high side? - I’m not planning on running a lot on this system but if 100amp is ā€˜safer’ then makes sense to go smaller

Yeah the starter battery is earthed to the chassis, the bus bar would also be earthed to the chassis albiet in a different location

yes, correct (also fused with 1 A i recommend :wink:)

Appreciate your advice on this,

On a side note I had thought about adding a second isolator between starter battery and the charger (30A Orion) - which means I can isolate this totally from the van - this makes sense to me if I wanted to work on the system but not sure if this is overkill?