I will be installing a Multiplus but have a question about running it with no batteries.
When I winterize my camper I pull batteries and put in garage. Occasionally I will have to get into camper to get something. I will be connected to my 30 amp house plug. Will I still be able to turn lights on and move slides in and out?
In this case, you should definitely install a bypass switch between AC in and AC out. Operating WITHOUT a battery is not recommended and could, at best, trip the AC fuses… at worst, you could damage your Multi…
So being a beginner with this. Do you have a diagram on how I would do that.
Just trying to wrap my head around this.
Anyway to do it with 1 transfer switch?
This is a single din mount switch. Comes with instructions
You could also just use the SFT 440… it’s basically two SFT 240s, and you “just connect” them together in one housing
This switch works completely differently… With the Hager SFT, you don’t just switch it on and off… you switch it over.
I’ll try to draw a diagram… But when it comes to mains voltage, you should leave it to someone who knows what they’re doing.
A drawn diagram would be great.
Im fine with wiring myself. I just want to make sure i understand it.
??? I made a drawing above… it’s pretty clear.
I thought above you said I would need 2?
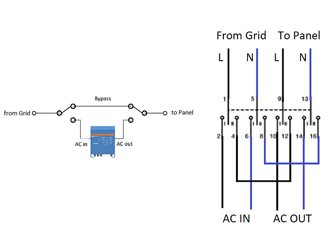
This drawing shows the Hager SFT 440 … complete with everything you need. ![]()
I tend to put way more thought into this kind of stuff that I need to. I over complicate.
So basically just this simple.
What is this drawing of yours… what is it supposed to show… my drawing has everything you need…
you’re making it far too complicated…
That drawing is the Hager switch. Does it look right?
I like to draw things to show where the wires need to go so I understand it better.
Things make more sense to me when I can see it like that.
No Problem ![]()
My drawing corresponds exactly to the cable assignment and the contacts you need to connect for it to work.
You can also copy graphics from here to your clipboard… then open and edit them on your computer and paste them back in… if you have any additions or questions…
doing this from my phone or I would totally do that.
So not to beat a dead horse here but just to confirm. Does my drawing match what your drawing is telling me? I’m sure people will think I’m pretty stupid by asking so many times. Just looking for confirmation.
Unfortunately, your drawing is technically useless… it doesn’t explain anything… except for a few lines and a box.
What is your problem with implementing my drawing… which shows EVERYTHING… really EVERYTHING you need… believe me… further questions about your drawing won’t explain anything technical or anything that could help you.






