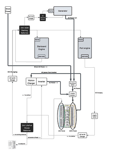
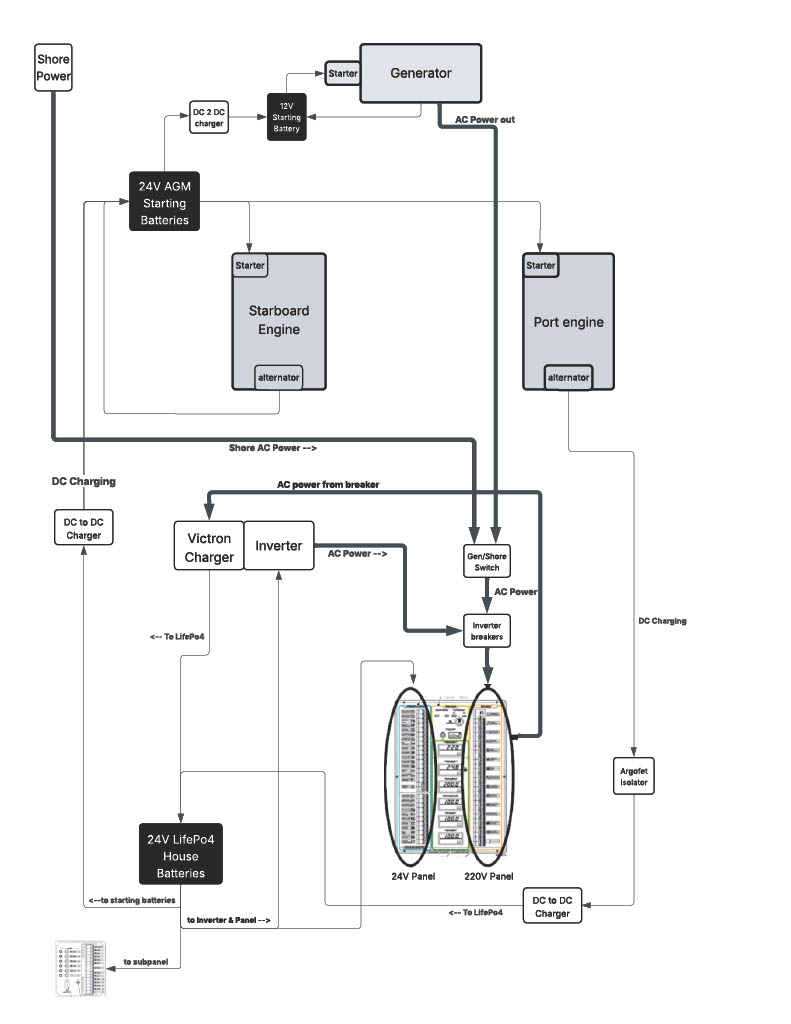
Hello, I just joined. I have a twin engine powerboat that has a bad house battery bank of AGM’s. I am interested in converting the bank to LifePo4’s. I have a meeting with a marine electrician next week, but they are not that experienced in lithium batteries. From looking online, this is a basic layout of what I was thinking. Does anyone have any comments, corrections, suggestions?
Thanks!
Im not a boat expert, so take this with a grain of salt.
Make sure the port engines alternator is a fixed output voltage type, or else it could increase its output voltage too much since it has no battery.
The orions are designed to be battery-to-battery chargers, so feeding it directly from an alternator could be an issue.
You could use an argofet isolator. Input comes from the alternator, output 1 goes to the starter batteries, output 2 to the orion. You could even parallel two, while the second units input comes from the starboard alternator. This would give you redundant starter battery charging and no alternator without a battery. Technically the orion would still not be connected to a battery directly, but i feel it would be less of an issue since voltage spikes would be smoothed out by the battery trough the isolator.
I feel like charging the generators battery trough AC, and the propulsion engines batteries trough DC is the wrong way round. Whenever the gen is running, then you got AC, but then it doesnt need an external charger. Whenever the propulsion engines are running you got DC, but then you dont need the second Orion to charge their batteries. Whenever you got shore power then it doesnt matter anymore, but without shore power i personally would flip it
I would connect both engine alternators to the starter battery, or have 2 starter battery if you have the space.
This will protect the alternators - without a battery, they are liable to over volt, and self destruct.
Charging the LiFePO4 battery: use orion dc/dc converter for main charging from engines. The Victron inverter can also charge these from shore power or generator AC.
Make sure that you new Li batteries have a BMS with external communications that can integrate with the Victron system, and have a Cerbo for central control.
Ok, I get what you are saying. Use both engines to charge starting batteries and both engines to also charge the LifePo4 batteries. The current system from the manufacturer uses each engine to charge separate banks. It doesn’t seem like too much work or parts (1 more Argofet) to achieve that.
Hi Mike, Thanks for the input. Our old electrician installed a GX Touch when we converted from Euro to US power. I would guess that means we already have a Cerbo? I haven’t purchased the batteries yet. I was looking at LiTime, Redodo, Vatrer batteries with BMS. We currently have 4 x 12v-160ah AGM (Boat manual specs 4 x 12v - 200ah) wired as 24v 320ah. I was thinking to go to a total of 24v 400ah.


