Upgrading my boat electric system with Lithium battery

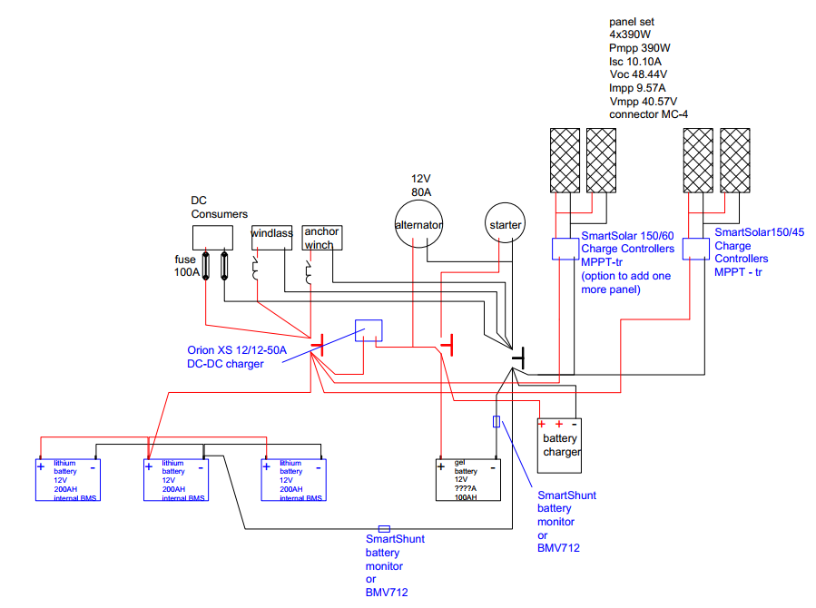
I’m upgrading my boat’s electrical system and replacing the service battery bank with a 3x200Ah Lithium Battery connected in parallel, featuring internal BMS with no communication output, only alarm output contact.

Charging source:

4x 390W solar panels split into two sets, each with a smart solar MPPT

engine alternator 80A via Orion XS charger

230v battery charger 30A

I have some unclear points:

  1. Do I have to use an external BMS to manage a healthy Lithium set? or I can only cut out charging and/or loads when getting alarm contacts from the internal BMS of the battery?
  2. For monitoring and settings, I would like to keep it simple and use the Victron Connect app. but I need to see the battery set charging status (how much it is full or empty.) if I install Smart Shant on the common negative side of the battery set, is it will show me on the Victron Connect app the battery condition or only the power goes in and out?

What is the benefit of installing BMV-712 Smart on Smart Shant with the volt measurement?

If any comments on my drawing, I will be happy to know.

Thanks


CHARGING V2.pdf (35.8 ק״ב)

If you have an internal BMS then normally you do not use an external BMS. You can use the alarm contacts to stop chargers but the final safety is the internal BMS shutting down charging or discharging.

Adding a Smartshunt or BMV712 is good because it provides one single accurate SOC figure for the whole battery. The BMS in some drop in batteries does not provide a good SOC value. The Smartshunt / BMV can connect to the Orion or MPPT to provide battery charge current and voltage to improve charge control.

I have not chevcked your drawing.

Piece of Mind. A Cerbo calculates Time Remaining based on current power use and conditions.

Get yourself a Cerbo GX ( or RaspberryPi) and Display / Android tablet and use the new boat page: V3.60 Boat View / Page - comments, suggestions and bugs

Also please make sure your wiring is up to the loads you can experience with Lithium.

You should also check with your insurer, as not all lithium batteries will be covered under your policy, and an ABYC certified installer is almost always going to be in the fine print of a policy if it’s a retrofit. It was in our policy, and we had to submit drawings and the installer’s information for our underwriter.

We had a choice of a small number of battery manufacturers, Lithionics, Victron, Mastervolt and a couple others, and all options required an external BMS, full stop, as well as compliance with ABYC TE-13.

I’ve heard of more than one claim being denied because of electrical fires relating to wiring on DIY lithium installs.

thanks for your reply
so to make sure i understand . Victron Lithium NG and Lithium Smart required external BMS .
Lithium SuperPack don’t need external BMS ?
if i will use the Lithium SuperPack , do i need to cut the charging and/or load when BMS cut one of the battery that connect in parallel ?
is the Lithium SuperPack have contact (dry contact or transistor contact) out to give alarm signal when BMS cut the current ?
thanks

You are correct.

You are correct.

The BMS will shut off inside the battery. Your chargers will keep trying to charge. If all batteries shut down then the charger will then stop charging but it will keep the system voltsge high.

No, it hss no comms, not even Bluetooth.

I suggest as a minimum that you have a litjium battery with Bluetooth communication so you can see cell voltages and temperatures. If you can not read the battery you can not monitor it or troubleshoot.

Most batteries with internal BMS fo not communicate to the chargers to stop. There are a few that do.

As noted above, make sure you are installing a system in line with local rules.

thanks a lot