Smartshunt and busbars

Hallo,

just a question about the right wiring when using a smartshunt with busbars.

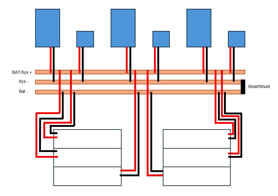
From the wiring unlimited it is recommended to take care of the shunt position and the order of the connected MP2, MPPT and Batteries.

So which configuration is better. I guess the 4 bars configuration should be the right one.


As I see it systems are electrically the same as Batt+ and Sys+ are joined in the 4 bar system so are effectively the same bus bar.
Shunt looks correct nothing apart from batteries should be on the battery side of the shunt.