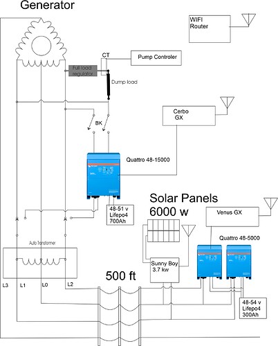
What grid code do I use for an island micro grid 60 cycle system
- If your connecting a non ESS system, then no grid code is needed.
- If an ESS system, then it must be significantly smaller than the grid forming unit, and use “other - not compliant to any grid code” - Also make sure that the microgrid owner is aware of what you are doing!!
1 Like
Thanks for replying.
That is what I am using. The Venus has Nod-red. It is working but the power ramp up is 400w /s and I need at least 3000w/p. The grid code I think controls the ramp up.
Hello
I got it to work but if the cycles change more 0.2 hzs it stops and I get Hub4/L1/FrequencyVariationOccurred alarm. Is there away to set Frequency Variation limit to 3 to 4 hz.
